Vlastné Štvorradové valčekové ložiská Výrobcovia, dodávatelia

Štvorradové valčekové ložiská

Domov / Produkty / Valčekové ložiská / Štvorradové valčekové ložiská

Kategórie

Ako vám môžeme pomôcť?

Sme spoľahlivý partner, ktorý formuje našu odbornosť do úspechu vášho projektu.

+86-574-86597612

Štvorradové valčekové ložiská

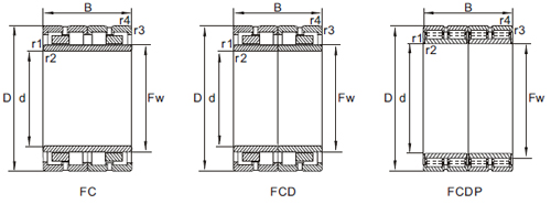
  • FC
  • FCD
  • FCDP
  • Dizajnové varianty
  • Klietka
  • Tolerancia
  • Vnútorná vôľa

Ningbo DHK Precision Bearing Co., Ltd.

  • 0+

    Dlhoročné pracovné skúsenosti

  • 0+

    Zákaznícky servis

  • 0+

    Patentovaná technológia

Ningbo DHK Precision Bearing Co, Ltd (skrátene „DHK“) je špecializovaný podnik zaoberajúci sa výskumom a vývojom, výrobou a predajom ložísk, ktorý sa nachádza v zóne hospodárskeho rozvoja Ningbo Zhenhai s pohodlnou dopravou. Od založenia už viac ako desať rokov boli „technológia“, „kvalita“ a „služby“ vždy prvotnými problémami v našej mysli v záujme rozvoja. Poskytujeme spoľahlivé produkty a špeciálne prispôsobené služby pre globálne podniky v ťažkom priemysle a získali sme spokojnosť a získali dobrú povesť mnohých podnikov doma iv zahraničí.

DHK vyrába predovšetkým valčekové ložiská, kužeľové ložiská, naklápacie valivé ložiská, guľkové ložiská, ako aj rôzne druhy neštandardných ložísk a ložísk so špeciálne upraveným povrchom. Ložiská DHK boli doteraz široko používané v takých oblastiach, ako sú strojárske stroje, priemyselné čerpadlá, obrábacie stroje, kompresné motory, prevodovky, veterná energia a metalurgia vo vyspelých európskych a amerických krajinách.

DHK má meraciu miestnosť a inšpekčnú miestnosť ložísk v tomto odvetví a celosvetovo zaviedla špičkové inšpekčné zariadenia a zaviedla systém kontroly kvality v Číne, čím zaručuje kvalitu výrobkov všestranným spôsobom.

CERTIFIKÁT

DHK prešiel certifikáciou systému kvality IATF16949 a certifikáciou systému environmentálneho manažérstva ISO14001 ; a DHK je národný high-tech podnik.

  • Certifikát
  • Certifikát systému environmentálneho manažérstva
  • Certifikát systému manažérstva bezpečnosti a ochrany zdravia pri práci
  • Systém riadenia merania
  • Patent na vynález 1
  • Patent na vynález 2
  • Patent na vynález
  • High-tech podniky

Najnovšie správy

Rozšírenie znalostí o tejto kategórii

1. Štvorradové valčekové ložisko : ako podporiť obrovskú záťaž ťažkého priemyslu?
V ťažkom priemysle sú štandardom obrovské zaťaženia a na to sú určené štvorradové valčekové ložiská. Tieto ložiská majú vo vnútri štyri rady valcových valčekov, čo im umožňuje zdieľať väčšie zaťaženie. Na rozdiel od tradičných valčekových ložísk valčeky v štvorradovom ložisku zdieľajú zaťaženie rovnomernejšie, čím sa znižuje namáhanie jednotlivých valčekov. Okrem toho väčšia kontaktná plocha medzi valčekmi pomáha rozložiť zaťaženie, čím sa zvyšuje nosnosť ložiska. Táto konštrukcia tiež eliminuje klietku v tradičných valivých ložiskách, čím sa znižuje trenie a opotrebovanie.
Optimalizáciou tvaru a materiálu valčekov môžu tieto ložiská udržiavať stabilnú prevádzku pri vysokom zaťažení. Okrem toho, geometria vnútorného a vonkajšieho krúžku ložiska a nastavenie vôle sú tiež kľúčovými faktormi na zabezpečenie zdieľania zaťaženia a stability. Keď sa ponoríme do týchto konštrukčných princípov, môžeme lepšie pochopiť, ako štvorradové valčekové ložiská dosahujú stabilitu a spoľahlivosť pri enormnom zaťažení v ťažkom priemysle.

2. Inovácia konštrukcie ložísk: Ako sa dá štvorradové valčekové ložiská vyrovnať sa s meniacimi sa priemyselnými výzvami?
S rastom ťažkého priemyslu rastú aj požiadavky kladené na ložiská. Štvorradové valčekové ložiská spĺňajú rôzne výzvy vďaka svojej inovatívnej konštrukcii. Napríklad optimalizáciou geometrie a materiálu valčekov môžu ložiská znížiť trenie a opotrebovanie pri vysokých rýchlostiach. Konštrukcia vnútorných a vonkajších krúžkov bola tiež starostlivo optimalizovaná, aby sa zvýšila tuhosť a stabilita ložiska, aby sa zachoval vynikajúci výkon pri rôznych pracovných podmienkach.
Okrem toho štvorradové valčekové ložiská inovovali aj technológiu tesnenia a mazania. Tieto inovatívne konštrukcie pomáhajú predĺžiť životnosť ložísk a znížiť potrebu údržby. Neustála snaha o inováciu konštrukcie umožňuje týmto ložiskám prispôsobiť sa čoraz zložitejšiemu a drsnejšiemu priemyselnému prostrediu a poskytovať tak dlhotrvajúci výkon a spoľahlivosť.

3. Výhľad do budúcnosti: Aká bude úloha o štvorradové valčekové ložiská vyvíjať v nových technológiách?
S neustálym pokrokom priemyselných technológií nové oblasti, ako je robotika, automatizácia a zelená energia, kladú nové požiadavky na ložiská. Ako jeden z kľúčových komponentov majú štvorradové valčekové ložiská potenciál hrať väčšiu úlohu v týchto oblastiach? Spĺňa jeho jedinečný dizajn potreby tohto technologického vývoja?
V oblasti robotiky môžu štvorradové valčekové ložiská podporovať kĺby a prevodové systémy, čím zabezpečujú presný pohyb a stabilitu robotov. V automatizačnej technike možno tieto ložiská použiť v dopravných pásoch, robotických ramenách a výrobných linkách, čím poskytujú vysoký výkon a dlhú životnosť. V oblasti zelenej energie možno tieto ložiská použiť vo veterných a solárnych systémoch výroby energie a sú obľúbené pre svoju spoľahlivosť a odolnosť v drsnom prostredí.